この記事は「建築関係者」向けです。
本記事では「アルミサッシ」や「木製建具」で戸の框を隠しFIX窓に見せる製品や納まりを解説します。
サッシ図の見方がわからない方はこちら【完全保存版】サッシ図の基本|見方・読み方
隠し框とは

「隠し框」は戸や可動部の框(障子)を隠しFIX窓のように見せる製品や納まりで、主に2つの意味で使われます
「隠し框」の2つの定義
- 非住宅物件において、三協「ARM-S」YKK「SYSTEMA」に代表される「隠し框サッシ」製品を指す
- 主に木造住宅において、木製建具や住宅サッシ(樹脂やアルミ)を内装を工夫し框を隠す納まり(手法)
隠し框サッシ(高意匠製品)
まずは、カタログ商品の隠し框のサッシについて解説します。
現在主流なのは、隠し框アルミサッシやアルミ樹脂複合サッシです。樹脂サッシは強度から框が太くなるため、隠し框の製品はほぼありません。代表例として三協アルミ「ARM-S」、YKKAP「SYSTEMA」、LIXIL「E-SHAPE」があり、これらは全てビル用アルミサッシです。一部住宅サッシでも隠し框の製品はありますが、窓種のバリエーションや製品は限られるのが現状です。
隠し框サッシの特徴・メリット
- 内観外観の統一: 可動窓とFIX窓の見付が一致
- ミニマルな寸法: 室内外から見える障子(框)の見付寸法が極限まで細くシャープな印象
- 有効開口面積: 框が隠れるため同サイズの一般サッシに比べてガラス面が広く、採光、換気、排煙面積が向上
- 性能:水密や気密などの性能は、標準的な一般サッシとほぼ同じ
- 防火設備:個別認定が始まった頃は製作範囲が狭くできない製品も多い印象でしたが、現在はかなり改善された
隠し框サッシのデメリット
- コスト・納期: 標準一般サッシに比べ価格が高く、納期も長くなる傾向
- 窓種: 枠内に障子を納める構造上、内倒しや内開きの設定がない。他にも引違い窓系のバリエーションも少なく、上げ下げや軸回転など特殊な製品はほぼない
- 製作範囲:枠が細いため、特に可動窓など標準的な一般サッシより制限される
- 特殊仕様: 枠が細く内部スペースが狭いため、電気錠、防犯部品、配慮部品などできない仕様が多い
- 外押縁:室内から枠が見えない構造上、内押縁の製品が基本的にはない。ガラスメンテ費用UPの可能性
- 枠形状:枠形状の種類が少ない。RC枠や同面枠等はあるが、鉄骨枠などが無くビス止めで使用する場合、アタッチメントや曲物での対応となり、さらにコストアップを招く可能性
押縁について詳しくは【Q&A】内押縁、外押縁の使い分けと選択のポイント
枠形状について詳しくは【解説】RC枠、ALC枠、同面枠、鉄骨枠の使い分け
「隠し框サッシ」と「標準サッシ」納まり詳細図比較
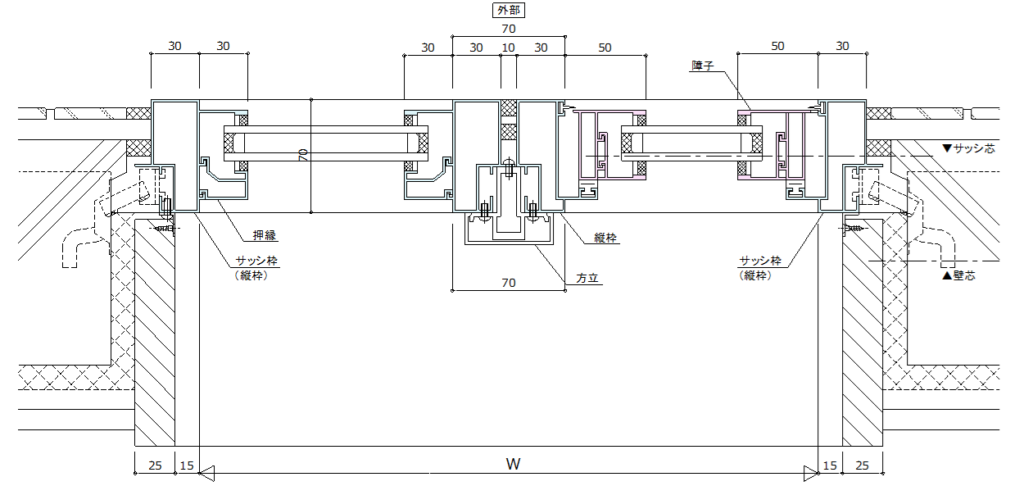
下図は、一般的な隠し框アルミサッシのRC造タイル納まり平面図で、サッシ枠は同面枠です。方立より右は可動窓(縦すべり出し窓、排煙窓など)、左はFIX窓です。水色が縦枠で、ピンク色が可動窓の障子を示します。室内から見た時に可動窓の障子(ピンク色)が見えず、FIX窓と可動窓で内観外観ともに見付が統一されます。また押縁は外部です。

下図は、標準的な一般サッシのRC造タイル納まり平面図で、サッシ枠は同面枠です。方立より右は可動窓、左はFIX窓です。隠し框と比較して室内から可動窓の障子(ピンク色)の見付が大きく見えます。また、FIX窓も押縁(本図は30mm)が見えてます。寸法も可動部は50mm、FIX部は30mmと意匠も揃いません。ただし、押縁は内押縁が可能であり、外押縁の商品バリエーションがある場合も多いです。

隠し框納まり(納め方で框を隠す手法)
ここでは、隠し框製品ではない一般の建具を納め方で、隠し框とする方法を紹介します。
住宅用サッシ
左は、標準的な住宅用サッシの内装額縁の納まりを工夫し、内観で框を隠した縦断面図の事例です。内観はすっきりとしますが、外観意匠は変わりません。サッシの仕様によっては、框の室内側に部品などが付いている場合やアングルピースを取り外す事が出来ない場合など、この納まりが採用不可の製品もありますので注意が必要です。また本図の納まりでは縦框を同じ方法で隠すことはできません。引違い窓の縦框は引手を兼ねているため框を隠すのは原則として推奨されません。
右は、一般的な住宅用サッシの納まりとなります。
この考え方は住宅用サッシだけではなく、ビル用サッシでも採用できるのですが、ビル用サッシには前項で紹介した隠し框専用製品の種類が多いため、あまりこのような対応をする事例はありません。また、本住宅サッシ納まりでは縦框を隠す事は出来ませんが、ビル用サッシ隠し框の引違い窓であれば、框が隠れても操作できるような専用の引手などが設定されているため綺麗に納めることが可能です。

木製建具
左は、木製サッシの片引き窓で、敷居と鴨居の位置を工夫し框を隠した縦断面図の事例です。
右は隠し框としていない一般的な納まり事例です。
木製建具でも、先ほどの住宅サッシ同様に、縦框は操作性を考慮し隠し框としません。召し合わせ部分もクレセントが干渉する可能性があります。


コメント