この記事では、サッシやドアなど開口部と天井の取り合いの標準的な詳細図を解説付きで複数掲載します。
サッシはアルミサッシ引違い窓(RC納まり)をベースとしています。
サッシ図の詳しい見方は【完全保存版】サッシ図の基本|見方・読み方徹底解説
サッシのRC納まり詳細図は【納まり事例集】サッシRC納まり|標準図のポイントと応用
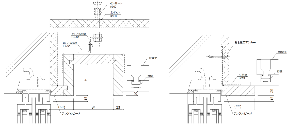
木製ブラインドボックス・額縁の標準仕様
建築工事標準詳細図をベースに、施工図レベルに近付けた納まり図です。
- ブラインドボックスや額縁のサイズは、納まりに応じて調整
- 一般にサッシ枠とブラインドボックス額縁のチリは15mm
- 建築工事標準詳細は溶接固定だが、一般には本図のようにビス止めが多い
- 出幅が小さい場合は補強不要
- 標準詳細では補強材3mmですが、一般にSt曲物を使用する場合2.3tとする
- 天井埋込インサートは額縁とは他工事範囲

左図は標準詳細に近い天井取り合いです。一般にはあまり採用されない納まりです。右図は額縁を一部切り欠き天井下地の野縁を額縁補強として兼用する事例です。

建築工事標準詳細図の木製ブラインドボックス、木製額縁納まり図です。
画像引用:建築工事標準詳細図(R4年版)
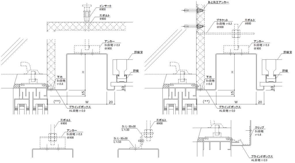
金属製ブラインドボックス(曲物)標準納まり
金属製ブラインドボックスの標準的な納まりです。本図はアルミ曲物ですが、スチール曲物でもほぼ同じ納まりとなります。
- 曲物のためブラインドボックスサイズは、自由に調整可能
- 一般にサッシ枠とブラインドボックスのチリは15mm。天井とのチリは10~15mmが一般的。5mm程度の極小寸法は加工困難
補足はこちら【解説】曲げ加工って何?曲物の設計のポイント - 本図(上2つ)はアンカー溶接固定だが、火気厳禁や施工性を考慮し下の左2つの納まりを採用も可能
- 左図の天井埋込インサートは額縁とは他工事範囲
- 天井埋込インサート等が不可の場合は、右図のようにブラケットを使用。額縁と同一工種の手配が多い
- 本図(上2つ)はサッシ枠付近に固定用皿ビスが見える。意匠的にビスを隠す場合、右下図のクリップ納まり

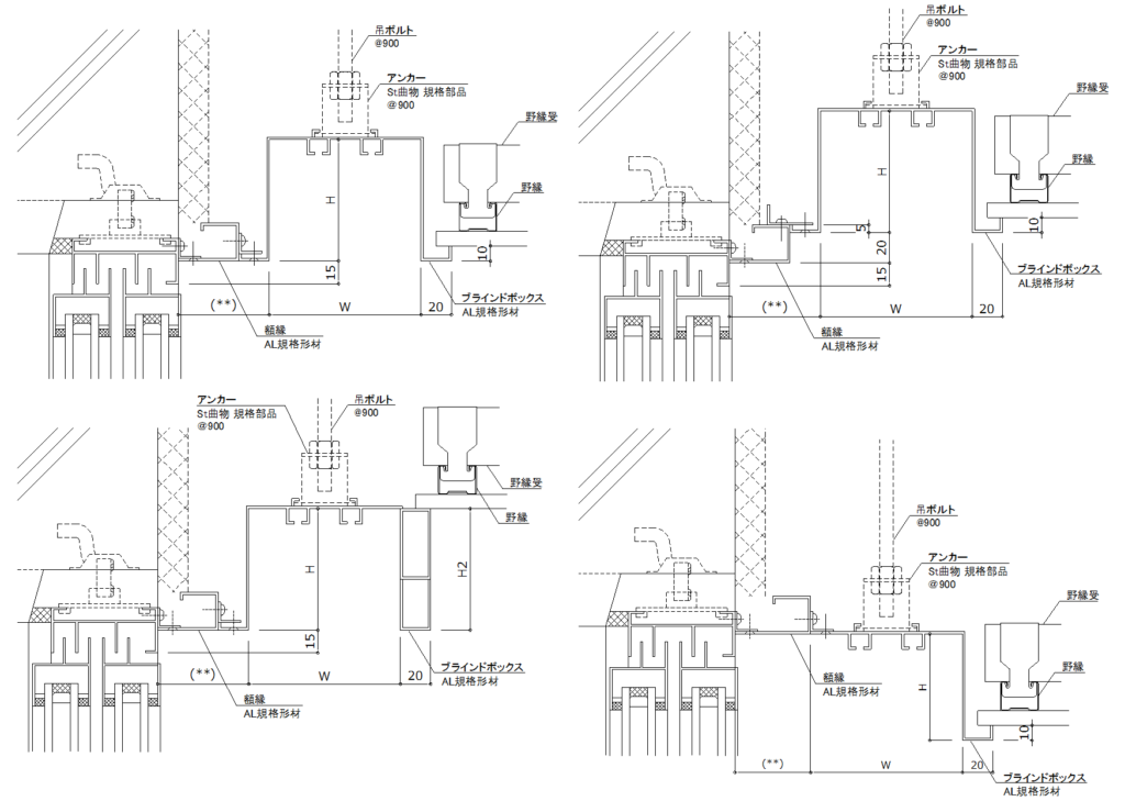
アルミ形材ブラインドボックス標準納まり
アルミ製規格形材ブラインドボックスの標準的な納まりです。本図(上2つ)は額縁との納まりの違いです
- 一般的な納まりであれば、既成形材の利用も可能。曲物に比べエッジが出るためシャープな印象。
- ブラインドボックスはサッシメーカーではなく、金物メーカー製のため、サッシ色と合わない場合がある
- サイズによりアタッチメントのつなぎ合わせで継ぎ目が多くなる。また、一般には曲物より形材が安いが、ブラインドボックスは逆転する場合もあり注意
- 一般にサッシ枠とブラインドボックスのチリは15mm。天井のチリは形材の規格による
- 本図(下2つ)は上がり天井と下がり天井納まり。サッシより天井が下がり、内開きの場合は干渉に注意。またドアが外開きでも、ドアクローザーなどの部品が干渉しないかチェックが必要

サッシより天井が上がる場合の納まり事例の2パターンです。
左図は壁を利用した納まり事例。右図は全て形材で構成する事例ですが、特殊な納まりではアタッチメントの継ぎ目が増えるため意匠的に注意が必要です。またアタッチメントによってはライナーを挟むなどで1mm単位でサイズを調整できる製品もあります。

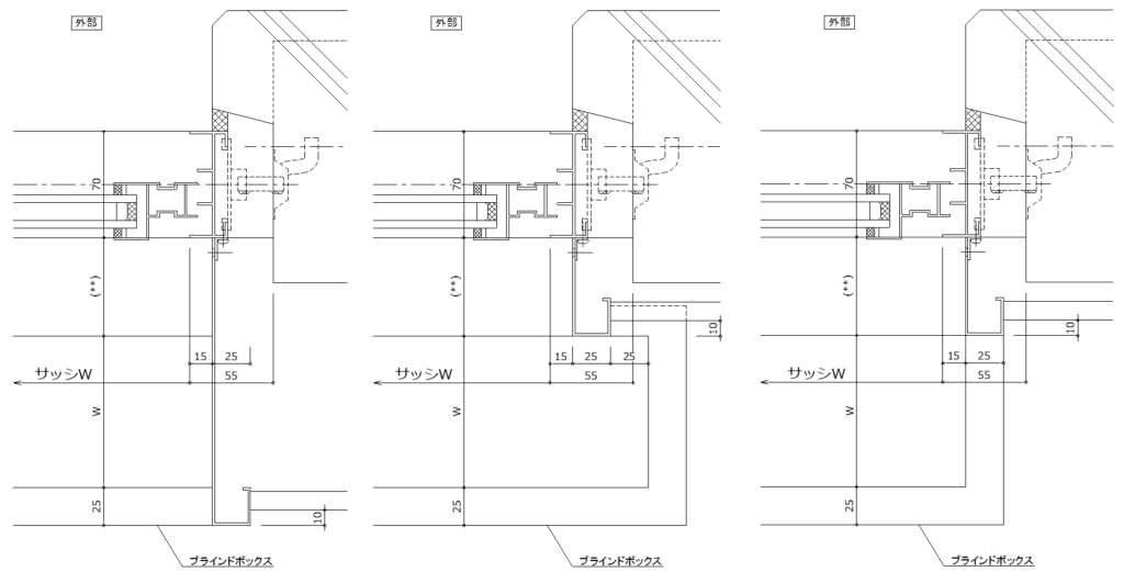
ブラインドボックス 平面詳細図
ブラインドボックスの一般的な平面図です。
左図は、ブラインドボックス見込み=縦額縁、縦勝ちで一番分かりやすい納まりですが壁が厚くなります
中央と右図は、ブラインドボックス見込みが、縦額縁より大きい場合の納まり事例です。ブラインドボックスWをサッシからどれだけ広げるかは自由に調整可能です。

本図のCADデータこちらに掲載しています


コメント