窓の種類を選ぶとき、またサッシ図をチェックする際、意外と見落としがちなのが「押縁(おしぶち)」の向きです。「どちらでもよい」と安易に決めると、メンテナンスコストや防犯性に大きな差が出ることがあります。
今回は、「迷ったら内押縁」と言われる理由と、外押縁を採用すべき特殊なケースについて解説します。
この記事でわからないサッシ用語解説はこちら 【解説】建具(窓・ドア)用語集 |部品名・部材名など
サッシの窓種の解説はこちら 【完全保存版】窓種(開閉形式)38種類を解説|特徴と技術情報
押縁(おしぶち)の基礎知識
押縁とは、サッシ枠にガラスを固定するための部材です。ガラスを施工する際は一度押縁を外し、ガラスを入れた後、再度押縁を取り付けて固定します。
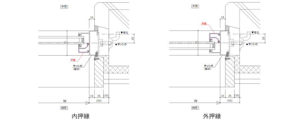
- 内押縁(うちおしぶち): 室内側に付いた押縁のこと、ガラスは室内側から施工
- 外押縁(そとおしぶち): 室外側に付いた押縁のこと、ガラスは室外側から施工
下図は一般的なビル用サッシRC納まりの平面図(サッシ図)です。左は室内側にガラスの片側に小さな部材(ピンク色)が描かれているのがわかります。これが内押縁です。

押縁の固定方法についてアルミサッシ・樹脂サッシは「嵌合(はめあい)」、スチール・ステンレスサッシは「ビス止め」で固定するのが一般的
【結論】内押縁・外押縁の選び方:迷ったら内押縁
分かりやすく言えば、押縁は単純に内・外どちらが良いかで比較するものではありません。
基本スタンスとしては「内押縁を原則とし、やむを得ない場合のみ外押縁」です。
なぜ「迷ったら内押縁」なのか
メンテナンスコスト:2階以上の高窓でガラスが割れた際、内押縁なら室内から交換できますが、外押縁だと足場や高所作業車が必要になり、修理代が跳ね上がります。ただし外部のガラス押えがシーリングの場合、内押縁でも外部作業は発生します。
防犯上のリスク:外押縁は、構造的に「外からガラスが外せる」状態です。特にビード(ガスケット)固定タイプは外しやすく、防犯性を重視するなら内押縁一択です。
あえて「外押縁」を選択する3つのケース
- 室内側に障害物: 柱、カーテンボックス、バックボードなどがサッシに近く、室内からガラスをはめ込めない場合
- 大判ガラスで室内搬入不可: 巨大なガラスで、室内から搬入が出来ず外から吊り込むしかない場合
- 高意匠製品の指定: 枠を極限まで細くした「隠しかまち」等のハイスペック製品やフロントサッシ、カーテンウォールは、構造上外押縁しか選べないケースが多いです
設計・現場でのチェックフロー
上記のように、意外と考え方は簡単なのですが、あえてチェックフローとしてまとめると
- 製品の仕様確認: そもそも内押縁が選べる製品か?(選択不可なら製品変更か施工出来るように周辺環境を調整)
- 室内側の確認: 柱やボードなど、ガラス搬入・施工の邪魔になるものはないか?
- メンテナンスの想定: 破損時、足場なしで交換できるか?ガラスは内からでも外部シール作業は発生する製品か?
- 搬入経路の検討: ガラスの重量・サイズ的に、外から吊る必要があるか?
内押縁・外押縁の比較
比較表
それぞれの特徴を一覧表で比較します。
| 比較項目 | 内押縁(室内から施工) | 外押縁(外から施工) |
|---|---|---|
| 推奨シーン | 原則こちらを選択 | 内押縁が施工不可の場合 (壁、柱、バックボードが干渉時) |
| ガラス施工(新築のとき) ガラス交換 | ・室内作業のみで完結 ・2階以上でも外足場不要 (※ビル用シール仕様は外部作業有) | ・外部作業が必須 ・高所は足場、高所作業車が必要 (※ビル用シール仕様は室内作業有) |
| 意匠性(外観) | ・枠のラインによりガラス面積が縮小 ・製品グレードによる差が大きい | ・スッキリした外観の製品が多い ・両方選べる製品なら意匠性は同等 |
| 防犯性 | ・高い ・外部からの取り外しは不可能 | ・要注意 ・ガスケット仕様は取り外しリスク有 ・シール仕様は抵抗力有 |
| 施工性 | 室内作業で施工性に優れる | ・室内側に障害物があっても施工可 ・大判ガラス等は有利 |
「外押縁=意匠性が高い」という誤解
よく「外押縁の方がスッキリして美しい」と言われますが、これは正確ではありません。
真実: 「意匠性を極めた製品(枠が細いもの)」に外押縁が多いだけで、一般的製品の外押縁は、ガラス面積や枠の見付け寸法は内押縁とほぼ変わりません。
注意: 逆に、内押縁の開き窓でも非常にスリムな製品は存在します。「デザイン=外押縁」と思い込まず、製品のスペックや製品図で判断してください。


コメント